偉克多工作室 X機器人學苑---最新 專題製作 優惠 消息
有關偉克多||LINE服務| 新AI自動化工具|普發現金變3倍卷|線上課程 |Arduino教學|會員|檔案下載|訂購模組零件|技術諮詢|訂購產品|回首頁 |部落格|FB | 影片 |專題製作最新課程|參考書C程式下載評估
| 露天專題製作教材|訂閱Arduino GBOX
DIY |精簡筆記GNB
Arduino GBOX
DIY –1 創刊號~
訂閱制 諮詢服務
做中學Arduino C基礎、製作、打小蜜蜂、彩燈設計、手機聲控設計、工業工程設計、藝術創作元素、…到職場
職場賺錢術10 大密技:10 頁精華筆記
線上課程打電玩學python入門 線上課程打造 IR 遙控器 分析器,跨平台應用 +SDK包(C、python程式碼+ PDF 檔 )
DIY學做8051 Arduino IR專題製作 探索應用----聲控紅外線遙控器 ~~~客製化一堂課,一學習計畫
4 門實體 實作 課程 任選,買一送一
~~~8/15 前優惠~~特價 2400 元,LINE 洽詢預約時間: 外加可客製化、自訂學習課程 *送ADSC 示波器軟體 *送DS51 成品 *送2小時(可補上課)/LINE上課 *送電子書 *會員程式更新下載 **硬體教具不重複贈送,可加購硬體教具(特價) **優惠期間可團購,再再折價,,,, http://vic8051.idv.tw/L1X.htm
想要學習如何組建自己的AI語音聲控助理嗎?? 請即刻前往關注.. ![]()
募資期間 2024/12/09 20:00 – 2025/01/25 02:00
GPC家教徵才中 https://youtu.be/Domqj8JwLW4
嘖嘖 募資 有問題問GPC https://bit.ly/3VzyMTo
![]()
![]()
![]()
🐱募資,已全部出貨完成,說話貓 線上參考:https://bit.ly/4hGtfme
114 年 暑假20小時 短期 C 程式設計 控制器 技能 進修 課程
A班=C程式設計 ESP32 控制器 創意實作課程---增加自信心--進階班
B班=C程式設計工具 體驗 課程 (Arduino C、python、手機程式設計ai2)--基礎班
+送GPC 零基礎學Python程式設計--建構 程式設計 自學系統
短時間 學會3套 程式 工具,還要會 應用—特價
借助GPC 輔助工具。特價優惠,請 LINE 諮詢(
avic8051) 訂購
手機程式設計 AI2 App inventor 2 積木程式 + C 程式設計
+ GPC 零基礎學Python
短時間學會3套工具,還 要 會 應 用,改變 學習程式設計 的習慣,用GPC 快速將基礎知識植入初學者,然後解析關鍵應用及實作、應用。節省時間、及縮短學習到應用的時間。都是使用GPC系統 來做輔助學習工具
上班族,想進修,沒辦法?沒時間?到高雄來上課,可以訂購教材,透過LINE諮詢上課,用你方便下班時間,做技術諮詢、上課,有空再約時間實作,完全可以自主學習。
17、23 歲如何一步一步實現……. 由職場開始 到 30歲---邁向CEO之路,大步邁進,相關 會員 諮詢 課程 ---所有課程 參考書、程式下載
書+谷歌貓師傅
GO_CFS =1800 元------ LINE 諮詢( avic8051) 訂購
國內第一本應用 簡單Arduino C語言控制Android手機做聲控、語音互動的專書---搭載RGOO(遙控Google)自己聲控應用,自己設計
3-4小時 手作 體驗 歷程 實作課程,適合15—23 歲對電子、電機、創客應用DIY感興趣的學員
112年新課程,家長可以 一起共同學習 ,與15 歲小孩一起 上課 學習,只收單一費用,與自己
小孩一起研究,好玩C 程式、語音互動機器人應用及職場連結……..
新書---ESP32 物聯網 實作入門 與 專題應用-----將Android手機 變 為聲控 機器人
<優惠方案> MP3 電子書產生器+ RGOO(含8051 C) +參考書+ ESP32 基礎零件+L51(學習型遙控模組)
RGOO --RC
Google Voice Control TTS,with AI2 tool and ESP32、UNO or 8051 C code
RGOO –遙控 Google RGOO --RC Google =RGOO軟體機器人
很好的人機界面開發教材,打開控制Google 基礎技術的工具,
支援ESP32、UNO、8051、遙控、串列監控Google聲控、說中文、其他可能應用
容易創造價值的一堂課,探索、專題、歷程、應用都適合。
結合積木程式設計、Arduino 手作課程、體驗 APP 設計、應用…..
23歲一畢業,馬上搶得韌體工程師的機會,一畢業快投出履歷,會有2~3個工作機會可選!
價值 年薪百萬 的一門課,在這課程中,可以分期付款來學習!
學習8051 C + Arduino C +AI2 手機程式設計,可以連線PC,學習Python 應用
4大技能,可以勝任基礎、助理、基礎韌體工程師相關工作,更重要的是韌體工程師思維。可以分期付款!!
111/9 月 新品上市:偉克多工作室---EASY Arduino EAR 實驗平台
安裝相關模組實驗,當你希望他放在哪邊方便實驗,就插入在該處。
一分鐘可以裝機一台,動作慢的,5分鐘可完成。
ARduino 萬用可程式化 控制器,希望經由輕鬆學習,達成目標:
*Simple is good *Easy to create *Happy to create *Create Your Own Value
111 年9 月底前訂購----加送實驗裝置
不管訂購軟體、硬體,LINE服務 不打折:
*C 程式設計QA+課程諮詢 *會員 專屬 序號 及C程式、專案更新
*升級 百 萬 年 薪 課 程
(23歲 開始 挑戰 韌體工程師 職缺)
新書上市 優惠方案1---含PYL(Python 連線控制板) 測試OK車體需自行組裝
4
合一特價:1300 元(含運費)~~~~剩下 7套
新書上市優惠方案2---方案1+APS+
TRO_ROM+PY_TRO_MP3 ~~~7 合一特價:1600 元(含運費)
APS學習自動進化思維電子書+ TRO_ROM遙控多媒體控制軟體(程式碼)+PY_TRO_MP3語音電子書產生器(含python 程式碼)(LINE avic8051 洽詢) 讓PC 聽中文、說中文,聽一下語音,製作語音電子書
Arduino專題製作不需連網,中文聲控與說中文,輕鬆做出 聲控機器人
*新書上市活動---剩下3套:1書本+2MSAY中文語音合成模組+3PC TRO
V1.1聲控探索機器人(含Python 程式碼)=1000元(含運費)(LINE avic8051 洽詢) 讓PC 聽中文、說中文,聽一下語音,製作語音電子書
年輕工程師 新思維:LXYE 課程
IO51
8051 Arduino 跨平台應用增能--挑戰33K工程師X專題製作+Python應用請LINE(avic8051)
洽詢
學習PYthon新思維:學習團隊合作及自動進化系統http://vic8051.idv.tw/aps.htm
+IO51 全方位 設計 的 8051控制板
+ 8051 Pubu - 電子書 +Arduino基礎 韌體 工程師 的12堂課程 電字書 +PC
Python 跨平台應用=2000 元--期間111 3/20
升大3、升大4生,寒假結束後,對Python、8051、Arduino
程式設計有一定程度把握,增加自信心,對專題製作、面試代表作、應徵工作都會有幫助。
TRO
python X Arduino 學習相關商品:
[TRO3純軟體研究] TRO ROM
1 EB1_APS
+2TRO ROM 遙控多媒體機器人(含2 組Python 程式碼) +3PC TRO V1.1 TRO mp3 電子書產生器(含Python 程式碼)
+4雙組序號(下載更新及技術諮詢序號) =1000元 硬體電路可以Arduino 自製
[TRO3純軟體研究]+RC95 3P(遙控器+實驗零件)=1300元(含運費)
Arduino控制電路設計:簡單的實驗電路,想做都可以自製硬體


[TRO3純軟體研究]+RC95 XP(遙控器+控制板成品+車體機構)
車體需要自行組裝,實現TNTR 計畫,IR IOT實驗平台,學習 Python找出路=2000元(含運費)
自備USB 5V(1A) 外部供電
Arduino 倒數計時 顯示 聲控Arduino 語音倒數計時器
*Arduino
8051專題製作|神奇遙控器XIR
DIY(7合1)|
Arduino贈書活動|挑戰33K 韌體工程師課程|
*8051
700 元 專題製作:說中文、七節顯示器、LCD、感知器應用、中文字幕機、遙控器....
*露天賣場




嘖嘖募資---特價~2021-02-26 https://www.zeczec.com/projects/arduino 自己遙控器自己設計!只需一支遙控器簡單生活、有趣好玩,用一輩子,控制自己想控制的裝置,寫自己想要的程式,增能有趣,建構小型IR
IOT,Google 聲控功能也可以自己設計,含Python、App Inventor2(AI2)設計範例。
*內建基本的LCD人機介面,只要外加少許零件及模組, *簡單、多元化、可程式設計的紅外線 小型IOT系統,多種應用實例
便可以省下很多測試、實驗的過程,快速製作完成一
穩定專案或是專題製作
*Python X Arduino連線 專題製作 ,PC Python以較少程式碼來作PC系統開發解決問題
*Python X Arduino連線 專題製作 課程,----初學者,自備筆電,快速有效學習、體驗DIY 設計樂趣!
[8051 Arduino 語音互動 研發平台]
研發由無到有最困難,利用<研發平台>方便學習、專題、體驗、
設計控制器、整合專案
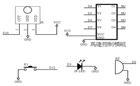
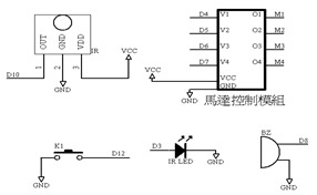
*L51--8051 Arduino紅外線 遙控家電/玩具實驗平台
偉克多機器人學苑 服務項目:
*程式設計、創業相關數位 課程諮詢
*學校創客、選修課、輕課程,課程開發、各學校講師支援
*斜槓青年講師培訓
*當地安親班-----教育機器人 體驗課程 講師 師資培訓
*學習Arduino 創客程式設計諮詢
*學生專題製作教材批發及零售
*教育機器人教材、課程批發及零售
*可以客制化 各式數位課程,歡迎LINE聯絡
….


[新版VCMM]
*新版VCMM由 USB下載8051 8KB程式碼(設計
*支援雲端專題製作—驗證
*買VCMM 送 8051 單晶片 +Arduino 應用C程式及電路實驗資料:
□Arduino聲控LED---說出「一個燈」:點亮一顆LED,讓Arduino變聲控器。
□Arduino 聲控譜曲---說「DO、RE、ME….」,將簡譜輸入到裝置中。
□Arduino 聲控查詢晶片腳位--- 想知道Arduino IC腳位,說出「D3腳位」,裝置會說出「第5支腳」。
□8051 聲控家電電源---說出「電扇」,電扇開。說出「收音機」收音機打開。
□8051 聲控伺服車----說出「前後左右」,伺服車動作
支援Arduino 系統----Arduino 變 各種語言聲控 >>>>>>>>>
VNO控制器---Arduino 進階教材+專題 +參考書Arduino語音互動專題製作與應用+光碟---松崗
含20支Arduino 實驗程式
□品名:VCMM_S 聲控模組 應用版
含
由 USB下載8051
8KB程式碼(設計