偉克多 工作室--- 8051 遙控車 專題製作
訂購 CASO 成品者 免費 至 高雄實驗室上課 1 小時
□品名 CASO_K超音波避障車 套件--2000元 定價
□品名 CASO 超音波避障車
成品--- 2500元 定價

[規格]
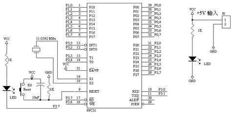
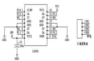
□系統組成:8051 控制板+專題小車車體+超音波測距模組+電池供電
□8051 控制板組成:8051 +基本工作元件+直流馬達驅動晶片L293D
□基本功能:8051控制超音波測距模組,可以偵測前方障礙物,來做避障礙實驗。
□控制程式:8051 C語言程式
□專題小車車體組成:減速直流馬達X2、塑膠車輪X2、車體、前輔輪、
配線、固定座X2、螺絲
□直流馬達驅動電壓:3-10V,直流馬達減速比:48:1,塑膠車輪:直徑 7 CM
□參考轉速: 3V---90 轉/分 6V---190 轉/分 7.2V---230 轉/分 9V---300 轉/分
[說明]
□可以學習超音波測距模組的軟硬體控制及直流馬達控制技巧。
□萬用蜂巢板一片,OK 銀線3色線若干,電路圖,相關電子零件。
□套件須自行在萬用蜂巢板上以 OK 銀線配線焊接。
□燒錄有控制程式的 8051相容晶片一顆。
□操作說明電子檔,須自備 +5V 電源。
□避障車 含超音波 測障礙介面,利用超音波 發射與反射動作原理,當前方有
障礙物時,可以做出反應,例如後退並轉向。
□ 8051控制板上按鍵動作如下:
K1車子前進,並以超音波測障礙介面,適時做出反應。
[參考電路]


